滋賀県 N様邸 2025年9月21日
戸建てのトイレリフォームのご紹介です。
LIXILリフォームショップモンテホーム 藤田 健太郎
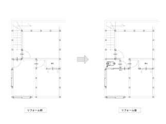
中古物件入居前のトイレ増設のご依頼をいただきました。 2階の洋室の一部をトイレへと変更しLIXIL【アメージュシャワートイレ】を施工致しました。 充実のキレイ機能とベーシックな快適機能を搭載したシリーズです。 木目調のクッションフロアとナチュラルなカラーのクロスでリラックスできる空間へと仕上がりました。 近年、ライフスタイルの変化などで2階へのトイレ増設の需要が増えています。 住まいのお悩みはぜひモンテホームにご相談下さい。
お見積・ご相談・お問い合わせはこちら
0120-151-666
担当者コメント
LIXILリフォームショップモンテホーム 藤田 健太郎
中古物件入居前のトイレ増設のご依頼をいただきました。 2階の洋室の一部をトイレへと変更しLIXIL【アメージュシャワートイレ】を施工致しました。 充実のキレイ機能とベーシックな快適機能を搭載したシリーズです。 木目調のクッションフロアとナチュラルなカラーのクロスでリラックスできる空間へと仕上がりました。 近年、ライフスタイルの変化などで2階へのトイレ増設の需要が増えています。 住まいのお悩みはぜひモンテホームにご相談下さい。